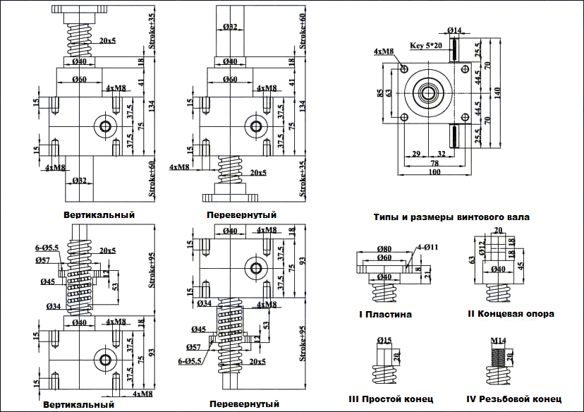
Кубическо-шариковые винтовые домкраты DMD10
Максимальные статические нагрузки – 10kN; Размер винта – TR20x5;
Передаточное число - 5:1 и 20:1;
Ход за 1 оборот – 1.0 мм и 025 мм соответственно;
Материал корпуса – ковкий чугун;
Вес домкрата (без штока) – 6кг;
Вес 100мм штока с защитной трубой – 0.5кг
Условное обозначение
| DMD10 TR20x5 |

Если вы хотите купить кубическо-шариковые винтовые домкраты DMD10 , вы можете:
Позвонить:
Российская Федерация
+7 (495) 369-04-89
+7 (910) 726-725-4 (МТС) Смоленск
info@tech-privod.com
Республика Беларусь
+375 17 272-04-08 (т/ф) Минск
+375 29 61-787-61 (A1) Минск
+7 (495) 369-04-89
+7 (910) 726-725-4 (МТС) Смоленск
info@tech-privod.com
Республика Беларусь
+375 17 272-04-08 (т/ф) Минск
+375 29 61-787-61 (A1) Минск
