DC мотор редуктор 5DC90W-GU / 5GU12.5 ~ 120 (90 Ватт) 13 об/мин ... 144 об/мин
13 об/мин ... 144 об/мин
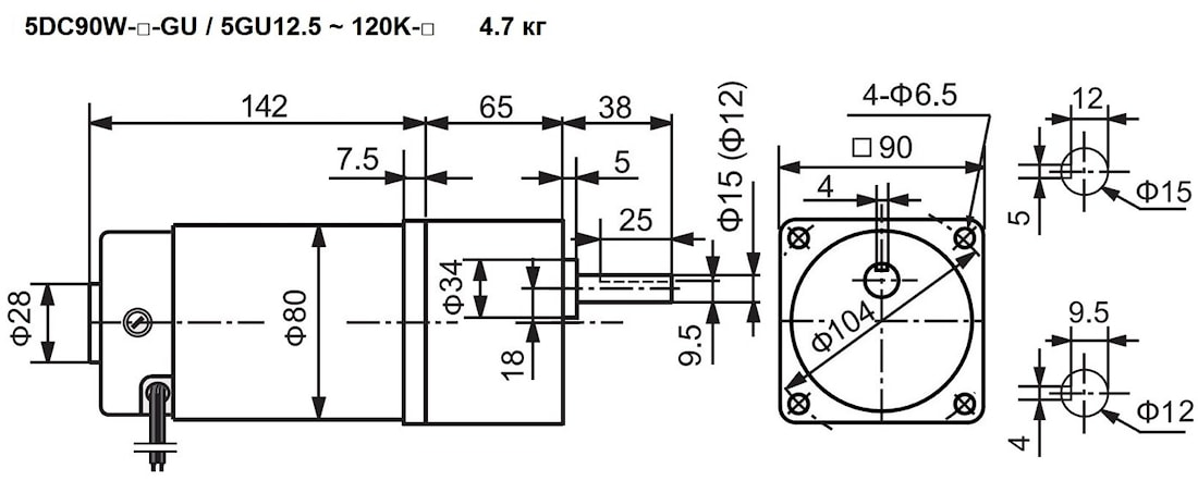
Мини мотор-редуктор 5DC90W-GU / 5GU12.5 ~ 120K - привод состоящий из двигателя постоянного тока (мощностью 90 Ватт) и цилиндрическим редукторным механизмом. Напряжение электродвигателя 12 В, 24 В, 90 В, степень защиты IP44, для выполнения продолжительных эксплуатационных процессов.Компактный редукторный механизм 5GU c развернутым рядом передаточных чисел: u=12.5, u=15, u=18, u=20, u=25, u=30, u=36, u=40, u=50, u=60, u=75, u=90, u=100, u=120.
Схема подключения
Регулятор скорости
Условные обозначения
| Модель DC мотор-редуктора | Выходные обороты | Передаточное число | Крутящий момент | Масса | |||
| мотор | редуктор | вал | n2 (об/мин) | i | M2 (Нм) | m (кг) | |
![]() | ![]() | ||||||
| 5DC90W-12V-GU 5DC90W-24V-GU 5DC90W-90V-GU | 5GU12.5K | 12, 15 | - | 144 | 12.5 | 5.4 | Стандарт – 4.7 |
| 5GU15K | 12, 15 | - | 120 | 15 | 6.5 | ||
| 5GU18K | 12, 15 | - | 100 | 18 | 7.7 | ||
| 5GU20K | 12, 15 | - | 90 | 20 | 8.6 | ||
| 5GU25K | 12, 15 | - | 72 | 25 | 10.7 | ||
| 5GU30K | 12, 15 | - | 60 | 30 | 12.9 | ||
| 5GU36K | 12, 15 | - | 50 | 36 | 15.4 | ||
| 5GU40K | 12, 15 | - | 45 | 40 | 17.2 | ||
| 5GU50K | 12, 15 | - | 36 | 50 | 20 | ||
| 5GU60K | 12, 15 | - | 30 | 60 | 20 | ||
| 5GU75K | 12, 15 | - | 24 | 75 | 20 | ||
| 5GU90K | 12, 15 | - | 20 | 90 | 20 | ||
| 5GU100K | 12, 15 | - | 18 | 100 | 20 | ||
| 5GU120K | 12, 15 | - | 13 | 120 | 20 | ||
| Стандартная модель |
|
Если вы хотите купить DC мотор редуктор 5DC90W-GU / 5GU12.5 ~ 120 (90 Ватт) , вы можете:
Позвонить:
Российская Федерация
+7 (495) 369-04-89
+7 (910) 726-725-4 (МТС) Смоленск
info@tech-privod.com
Республика Беларусь
+375 17 272-04-08 (т/ф) Минск
+375 29 61-787-61 (A1) Минск
+7 (495) 369-04-89
+7 (910) 726-725-4 (МТС) Смоленск
info@tech-privod.com
Республика Беларусь
+375 17 272-04-08 (т/ф) Минск
+375 29 61-787-61 (A1) Минск



