DC мотор редуктор 4DC40W-GN / 4GN20 ~ 50 (40 Ватт) 36 об/мин ... 90 об/мин
36 об/мин ... 90 об/мин
Мини мотор редукторы постоянного тока 4DC40W-12V-GN / 3GN20 ~ 50, 4DC40W-24V-GN / 3GN20 ~ 50 и 4DC40W-90V-GN / 3GN20 ~ 50 - компактный электромеханический привод с получаемыми крутящими моментами 4,3 Нм ~ 8.6 Нм.Питание постоянным током.
Номинальное напряжение 12 В, 24 В, 90 В.
Щеточная конструкция.
Степень защиты IP44
Выходные обороты: 36 об/мин ~ 90 об/мин.
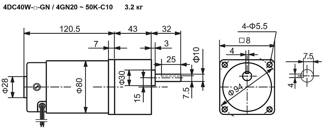
Габариты: 163,5 х 80 х 80
Диаметр выходного вала: 10 мм
Вес: 3,2 кг
Схема подключения
Регулятор скорости
Условные обозначения
| Модель DC мотор-редуктора | Выходные обороты | Передаточное число | Крутящий момент | Масса | |||
| мотор | редуктор | вал | n2 (об/мин) | i | M2 (Нм) | m (кг) | |
| 4DC40W-12V-GN / 4DC40W-24V-GN / 4DC40W-90V-GN / | 4GN20K | 10 | - | 90 | 20 | 4.3 | Стандарт – 3.2 |
| 4GN25K | 10 | - | 72 | 25 | 4.7 | ||
| 4GN30K | 10 | - | 60 | 30 | 5.7 | ||
| 4GN36K | 10 | - | 50 | 36 | 6.8 | ||
| 4GN40K | 10 | - | 45 | 40 | 7.3 | ||
| 4GN50K | 10 | - | 36 | 50 | 8.6 | ||
| Стандартная модель |
|
Если вы хотите купить DC мотор редуктор 4DC40W-GN / 4GN20 ~ 50 (40 Ватт) , вы можете:
Позвонить:
Российская Федерация
+7 (495) 369-04-89
+7 (910) 726-725-4 (МТС) Смоленск
info@tech-privod.com
Республика Беларусь
+375 17 272-04-08 (т/ф) Минск
+375 29 61-787-61 (A1) Минск
+7 (495) 369-04-89
+7 (910) 726-725-4 (МТС) Смоленск
info@tech-privod.com
Республика Беларусь
+375 17 272-04-08 (т/ф) Минск
+375 29 61-787-61 (A1) Минск

