DC мотор редуктор 2DC6W-GN / 2GN200 ~ 300 (6 Ватт) 6.0 об/мин ... 9.0 об/мин
6.0 об/мин ... 9.0 об/мин
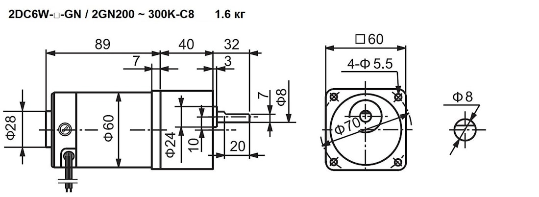
Мини DC мотор редуктор 2DC6W-GN / 2GN200 ~ 300, номинальная мощность - 6 Ватт, допускаемое напряжение 12 В, 24 В, 90 В, потребляемые токи 0,6 А (12 V), 0,3 A (24 V), 0,3 A (90 V), доступные передаточные числа: 200; 250; 300.Область применения мотор редукторов постоянного тока часто связана с теми сферами, где привод может легко контактировать с человеческими органами. Также это могут быть некие мобильные устройства, где источником тока выступают аккумуляторные батареи.
Температуры эксплуатации: -10С - +40С.
Влажность: до 85%.
Высота над уровнем моря до 4000 м.
| Модель DC мотор-редуктора | Выходные обороты | Передаточное число | Крутящий момент | Масса | |||
| мотор | редуктор | вал | n2 (об/мин) | i | M2 (Нм) | m (кг) | |
| 2DC6W-12V-GN / 2DC6W-24V-GN / 2DC6W-90V-GN / | 2GN200K | - | 8 | 9.0 | 200 | 3.00 | Стандарт - 1.6 |
| 2GN250K | - | 8 | 7.2 | 250 | 3.00 | ||
| 2GN300K | - | 8 | 6.0 | 300 | 3.00 | ||
Схема подключения
Регулятор скорости
Условные обозначения
| Стандартная модель |
|
Если вы хотите купить DC мотор редуктор 2DC6W-GN / 2GN200 ~ 300 (6 Ватт) , вы можете:
Позвонить:
Российская Федерация
+7 (495) 369-04-89
+7 (910) 726-725-4 (МТС) Смоленск
info@tech-privod.com
Республика Беларусь
+375 17 272-04-08 (т/ф) Минск
+375 29 61-787-61 (A1) Минск
+7 (495) 369-04-89
+7 (910) 726-725-4 (МТС) Смоленск
info@tech-privod.com
Республика Беларусь
+375 17 272-04-08 (т/ф) Минск
+375 29 61-787-61 (A1) Минск

