Мультипликаторы
19.10.2023
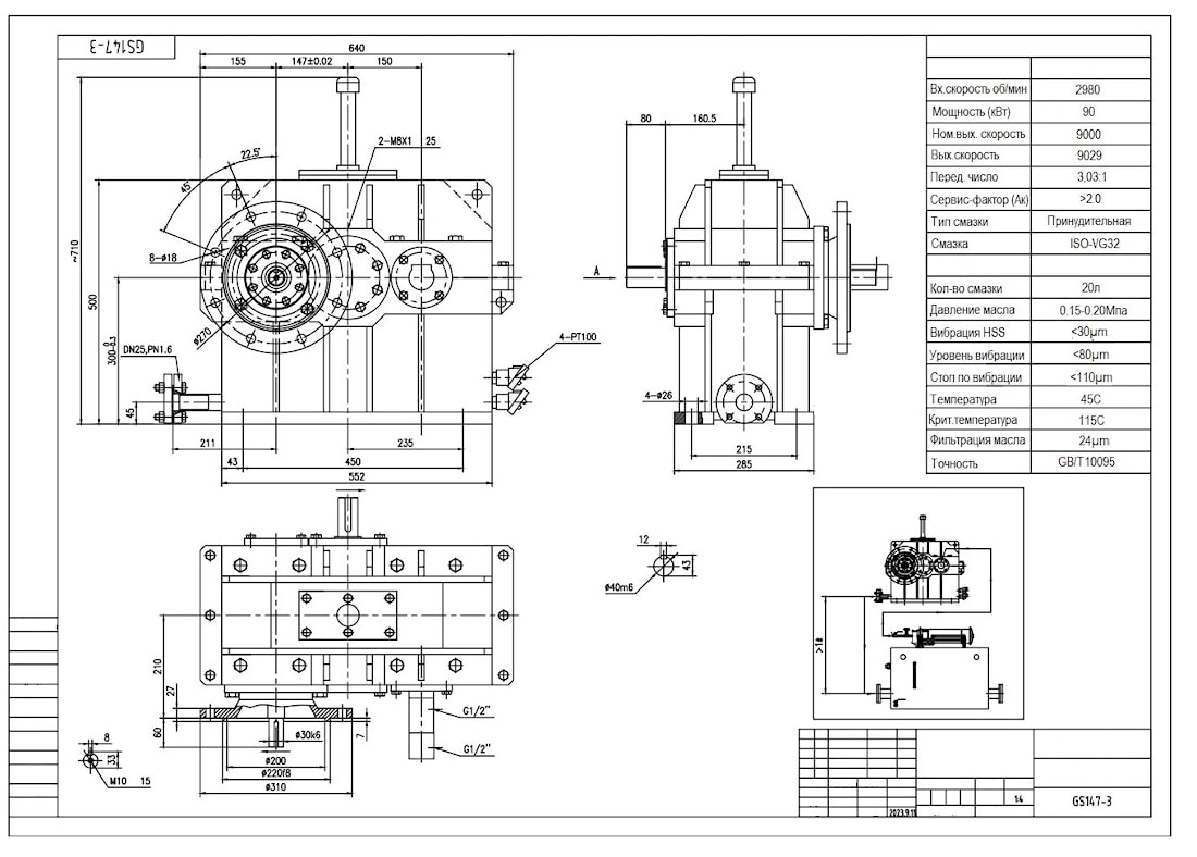
В общем, мультипликатором считается механический узел, преобразующий крутящий момент в повышенную угловую скорость (или повышает частоту вращения выходного вала при понижении крутящего момента). На бывшем постсоветском пространстве заказать изготовление такого специфического привода не то, что было невозможно, но хорошенько позаниматься поисками следовало бы. За время свободной доступности к западным приводным технологиям машиностроение Российской Федерации вытолкнули в сегмент только масштабных устройств, мощнейших мультипликаторов.
Наша компания берется за проектирование и изготовление механических мультипликатов:

